Parrilla de trusses – Instalación en La Sala de La Grada
Parrilla de trusses – Instalación en La Sala de La Grada
PROYECTO: Instalación Parrilla de Trusses en La Sala de La Grada
TAGA Proyectos Escénicos ofrece soluciones integrales de ingeniería teatral para teatros, auditorios y centros culturales, desarrollando proyectos que abarcan desde el diseño hasta la instalación de estructuras técnicas escénicas.
En este proyecto, TAGA ha realizado la instalación de una parrilla de trusses bajo cubierta en La Sala de La Grada, espacio gestionado por la cooperativa de artistas Estudio de Actuación, en Madrid.
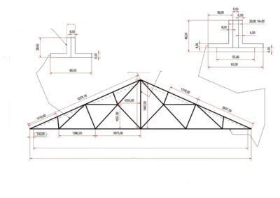
Trabajos realizados
La intervención ha incluido:
-
Medición y cálculo estructural de la cercha existente bajo cubierta
-
Diseño en 3D de planta y alzado a escala
-
Propuesta de distribución del sistema de trusses, optimizando seguridad y funcionalidad
-
Desarrollo de la producción técnica, incluyendo planificación y estimación de costes
-
Instalación y montaje final del sistema
El sistema instalado permite una mayor versatilidad en la disposición de equipos de iluminación y sonido, adaptándose a los requisitos técnicos de cada espectáculo. Además, facilita el montaje y desmontaje de escenografías, mejorando la eficiencia operativa del recinto.
TAGA Proyectos Escénicos agradece la oportunidad de colaborar con Estudio de Actuación en la creación de un entorno escénico profesional y seguro, aportando soluciones innovadoras y a medida para el personal técnico y artístico.
CLIENTE: ESTUDIO DE ACTUACION S. COOP. MAD.
LOCALIDAD: Madrid
EJECUCIÓN: 2023
OTROS PROYECTOS
© TAGA PROYECTOS ESCENICOS SL 2026 | Aviso legal | Política de cookies | Política de privacidad | Política de calidad
© TAGA PROYECTOS ESCENICOS SL 2026 | Aviso legal | Política de cookies | Política de privacidad | Política de calidad







